Global
Home Products Static Torque Sensor VK-VST3 Series
VK-VST3 Series
A static torque sensor is used to measure the torque of stationary or slowly rotating objects and comes with a flange base for easy installation. It is mainly used for testing manual torque wrenches and torque screwdrivers.
VK-VST3 Series
Practical Application

Sensor Fundamentals
ParameterUnitSpecification
Rated RangeN.M0-3000
Torque SignalmV/V1-2.0
Accuracy Class%F.S±0.5
Repeatability%F.S±0.05
Temperature Sensitivity Drift%F.S./10℃0.05
Zero-point Temperature Drift%F.S./10℃0.05
VoltageV5-15
CurrentMA<150
Material
Stainless Steel
Operating Environment-20-80
Response TimeMS1
Response FrequencyKHZ1
Safe Overload%150
Protection Rating (IP Rating)
IP50
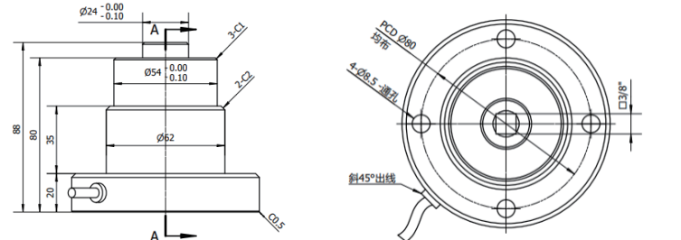
Sensor Structural Diagram

Sensor Technical Specifications
ModelSpecification
VK-VST3-20.2-2NM
VK-VST3-50.5-5NM
VK-VST3-101-10NM
VK-VST3-202-20NM
VK-VST3-505-50NM
VK-VST3-10010-100NM
VK-VST3-20020-200NM
VK-VST3-50050-500NM
VK-VST3-1000100-1000NM
VK-VST3-2000200-2000NM
VK-VST3-3000300-3000NM